电话:
0577-86155736
手机:
0577-86155736
邮箱:
wzcryy@126.com
地址:
温州市瓯海区娄桥工业园繁瑞路11号

SRFB系列双筒直回式回油过滤器(新型)是由两只单筒过滤器、换向阀、旁通阀、发讯器、扩散器等组成。它被安装在油箱顶部,侧面或底部,可在系统不停机的情况下更换滤芯,适用于连接工作的液压系统回油精过滤,用来滤除液压系统中诸元件磨损产生的金属粉末以及密封件的橡胶杂质等,使流回油箱的油液保持清洁,以利于系统中的油液循环使用。
当一只过滤器的滤芯堵塞,致使进出口压差为0.35MPa时,发讯器发讯,这时,转动换向阀,使备用滤油器工作,然后更换已堵塞的滤芯。
在因故不能及时更换已堵塞滤芯,使进出油口压差进一步上升到0.4MPa时,旁通阀自动开始工作,从而保护滤芯及系统正常工作,但用户应尽快更换滤芯。
因设有止回阀,当过滤器置于油箱侧面和底部时,在更换滤芯也不会使油箱内的油液流出。
扩散器设置在回油筒体底部,能使回油的介质平衡地流入油箱内,不易产生气泡,减少了空气的重新进入,并减弱已沉积污染物的骚动。
滤芯采用新型化纤过滤材料,具有过滤精度高,通油能力大、原始压力损失小、纳污量大等优点。其过滤精度以绝对过滤精度标定,过滤比β3、5、10、20>100,过滤效率n≥99%,符合ISO标准。
型号说明
技术参数
| 型号 | 公称流量(L/min) | 过滤精度(μm) | 公称压力(Mpa) | 压力损失(MPa) | 发讯装置 | 重量(kg) | 连接方式 | 滤头型号 | ||
| Initial | Max | (V) | (A) | |||||||
| SRFB-25×*F-Y C | 25 | 1 3 5 10 20 30 | ≤1.6 | ≤0.075 | 0.35 | 12 24 36 220 | 2.5 2 1.5 0.25 | 法兰 | SFBX-25x* | |
| SRFB-40×*F-Y C | 40 | SFBX-40x* | ||||||||
| SRFB-63×*F-Y C | 63 | SFBX-63x* | ||||||||
| SRFB-100×*F-Y C | 100 | SFBX-100x* | ||||||||
| SRFB-160×*F-Y C | 160 | SFBX-160x* | ||||||||
| SRFB-250×*F-Y C | 250 | SFBX-250x* | ||||||||
| SRFB-400×*F-Y C | 400 | SFBX-400x* | ||||||||
| SRFB-630×*F-Y C | 630 | SFBX-630x* | ||||||||
| SRFB-800×*F-Y C | 800 | SFBX-800x* | ||||||||
| SRFB-1000×*F-Y C | 1000 | SFBX-1000x* | ||||||||
注:*为过滤精度,若使用介质为水一乙二醇带CYB-Ⅰ发讯器,则过滤器型号为:SRFB·BH-63×*-Y,滤芯型号为SFBX·BH-63×*.

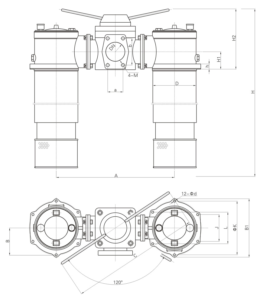
| 型号 | 尺寸(mm) | |||||||||||||||||
| DN | a | b | M | H1 | H2 | h | B | ΦK | J | L | B1 | d | A | D | H | C | Q | |
| SRFB-25×*F-YC | Φ50 | 43 | 78 | M10 | 58 | 178 | 20 | 81 | Φ150 | 75 | 90 | 168 | Φ7 | 360 | Φ124 | 361 | 350 | Φ60 |
| SRFB-40×*F-YC | 386 | |||||||||||||||||
| SRFB-63×*F-YC90 | 424 | |||||||||||||||||
| SRFB-100×*F-YC | 486 | |||||||||||||||||
| SRFB-160×*F-YC | 561 | |||||||||||||||||
| SRFB-250×*F-YC | Φ80 | 62 | 106 | M12 | 74 | Φ252 | 22 | 120 | Φ225 | 112 | 132 | 245 | Φ9 | 494 | Φ186 | 603 | 545 | Φ90 |
| SRFB-400×*F-YC | 753 | |||||||||||||||||
| SRFB-630×*F-YC | 923 | |||||||||||||||||
| SRFB-800×*F-YC | 993 | |||||||||||||||||
| SRFB-1000×*F-YC | 1160 | |||||||||||||||||
注:进油口法兰由我厂提供,用户只需准备好ΦQ尺寸管子焊上即可。